HAM Radio ZendExamens Banner  [ Welkom ]  [ Het waarom ]  [ Examens ]  [ Morse sectie ]  [ QTH Locator ]  [ Lijsten / Tabellen ]  [ Documenten ]  [ Link Sectie ] 
Home » Examen oefeningen » Start pagina N/D examens » N-Examens (1975-2020) » N200811200001

N-Examen : 2008-11-20 (40 vragen).


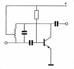
Vraag 1


Als transistoroscillator kan het best worden gebruikt:


PE1HVH - image bij vraagnr 1
PE1HVH - image bij vraagnr 2
PE1HVH - image bij vraagnr 3


Vraag 2


De meest gebruikte impedantie van kunstantennes voor VHF is:


50 Ω
25 Ω
100 Ω


Vraag 3


Lange-afstand-communicatie op hf-banden wordt mogelijk gemaakt door het afbuigen van radiogolven in de:


troposfeer
ionosfeer
stratosfeer


Vraag 4


De spanning die een gelijkstroomvoeding levert wordt met een universeelmeter gemeten.

De meter gedraagt zich als een:


isolator
weerstand met hoge waarde
weerstand met lage waarde


Vraag 5


Een harmonische van 145 MHz is


290 MHz
72,5 MHz
217,5 MHz