HAM Radio ZendExamens Banner  [ Welkom ]  [ Het waarom ]  [ Examens ]  [ Morse sectie ]  [ QTH Locator ]  [ Lijsten / Tabellen ]  [ Documenten ]  [ Link Sectie ] 
Home » Examen oefeningen » Start pagina N/D examens » Per VRZA Hoofdstuk » Meten en meetinstrumenten

Meten en meetinstrumenten (10 vragen).


Vraag 1


In een schakeling, bestaande uit een batterij en twee in serie geschakelde weerstanden, moet de stroom door de weerstanden gemeten worden.

Wat is de juiste schakeling?


PE1HVH - image bij vraagnr 1
PE1HVH - image bij vraagnr 2
PE1HVH - image bij vraagnr 3


Vraag 2


Een belasting is aangesloten op een spanningsbron.

Wat is de juiste plaats voor een spanningsmeter waarmee we de klemspanning van de spanningsbron willen meten?


parallel aan de belasting
in serie met de spanningsbron
in serie met de belasting


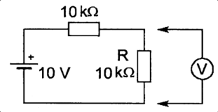
Vraag 3


Men wil de gelijkspanning over de weerstand R met een voltmeter meten.

De aanwijzing is het nauwkeurigst indien de weerstand van de meter:

PE1HVH - image bij vraagnr 3
zo laag mogelijk is
zo hoog rnogelijk is
10 kΩ bedraagt


Vraag 4


De spanning die een gelijkstroomvoeding levert wordt met een universeelmeter gemeten.

De meter gedraagt zich als een:


ideale geleider
isolator
weerstand met hoge waarde
weerstand met lage waarde


Vraag 5


Een micro-ampèremeter kan geschikt worden gemaakt voor het meten van spanning van enige volts door:


een lageweerstand parallel te schakelen
een hogeweerstand parallel te schakelen
een hogeweerstand in serie te schakelen