HAM Radio ZendExamens Banner  [ Welkom ]  [ Het waarom ]  [ Examens ]  [ Morse sectie ]  [ QTH Locator ]  [ Lijsten / Tabellen ]  [ Documenten ]  [ Link Sectie ] 
Home » Examen oefeningen » Start pagina F/C examens » Per VRZA Hoofdstuk » Lading, spanning, stroom en weerstand

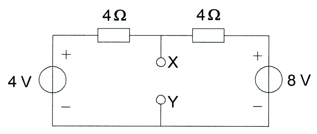
Lading, spanning, stroom en weerstand (10 vragen).


Vraag 1


De spanning tussen de punten X en Y is:

PE1HVH - image bij vraagnr 1
8 V
6 V
5 V
4 V


Vraag 2


Bij toenemende temperatuur zal:

PE1HVH - image bij vraagnr 2
U1 toenemen en U2 afnemen
U1 constant blijven en U2 toenemen
U1 afnemen en U2 toenemen
U1 constant blijven en U2 afnemen


Vraag 3


De voltmeter wordt ideaal verondersteld.
De temperatuur van de NTC-weerstand is 80° C.

De voltmeter wijst aan:

PE1HVH - image bij vraagnr 3
4 V
4,5 V
6 V
7,5 V


Vraag 4


Bij welke waarde van R levert de spanningsbron de maximale stroom?

PE1HVH - image bij vraagnr 4
10 Ω
100 Ω
0 Ω
50 Ω


Vraag 5


Bij welke waarde van R wordt maximaal vermogen aan deze weerstand geleverd?

PE1HVH - image bij vraagnr 5
25 Ω
100 Ω
50 Ω
100 Ω