HAM Radio ZendExamens Banner  [ Welkom ]  [ Het waarom ]  [ Examens ]  [ Morse sectie ]  [ QTH Locator ]  [ Lijsten / Tabellen ]  [ Documenten ]  [ Link Sectie ] 
Home » Examen oefeningen » Start pagina F/C examens » Per VRZA Hoofdstuk » Versterkende elementen, hun instellingen en basisschakelingen

Versterkende elementen, hun instellingen en basisschakelingen (10 vragen).


Vraag 1


De 'oervorm' van een NPN-transistor is de 'twee-dioden' schakeling in:


PE1HVH - image bij vraagnr 1
PE1HVH - image bij vraagnr 2
PE1HVH - image bij vraagnr 3
PE1HVH - image bij vraagnr 4


Vraag 2


De stroomversterking van PNP en NPN-transistoren zal bij toenemende frequentie:


afnemen
toenemen
gelijk blijven
eerst afnemen en daarna weer toenemen


Vraag 3


De uitgangsspanning Uuit van de schakeling met een siliciumtransistor is ongeveer:

PE1HVH - image bij vraagnr 3
5,0 V
8,4 V
5,6 V
6,2 V


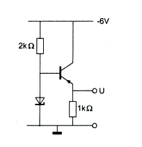
Vraag 4


Voor de transistor geldt: UBE = -0,5 V.
De zenerspanning is 2 V.

De spanning U is:

PE1HVH - image bij vraagnr 4
-1,5 V
-6 V
0 V
-2,5 V


Vraag 5


De waarde van Rb is:

PE1HVH - image bij vraagnr 5
120 kΩ
200 kΩ
170 kΩ
10 kΩ