HAM Radio ZendExamens Banner  [ Welkom ]  [ Het waarom ]  [ Examens ]  [ Morse sectie ]  [ QTH Locator ]  [ Lijsten / Tabellen ]  [ Documenten ]  [ Link Sectie ] 
Home » Examen oefeningen » Start pagina F/C examens » Per VRZA Hoofdstuk » Transformatoren en opbouw van spoelen

Transformatoren en opbouw van spoelen (10 vragen).


Vraag 1


De primaire wikkeling van een transformator heeft 100 windingen.
De secundaire wikkeling heeft 500 windingen.
Op de primaire wikkeling wordt een wisselspanning van 10 volt aangesloten.

De wisselspanning op de secundaire wikkeling is:


250 V
10√5 V
50 V
2 V


Vraag 2


De impedantie Z bedraagt:

PE1HVH - image bij vraagnr 2
10 kΩ
1 kΩ
10 Ω
100 Ω


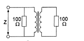
Vraag 3


De transformator heeft twee gelijke wikkelingen.

De impedantie Z voor wisselstroom is:

PE1HVH - image bij vraagnr 3
100 Ω
200 Ω
50 Ω
400 Ω


Vraag 4


Om een audiotransformator wordt soms een weekijzeren afschermbus geplaatst.

Het weekijzer:


verstrooit het magnetisch veld
reflecteert het magnetisch veld
is een geleider voor het magnetisch veld
schermt wel het elektrisch, maar niet het magnetisch veld af


Vraag 5


In transformatoren worden ijzerkernen toegepast.
De ijzeren lamellen die de kern vormen worden onderling geïsoleerd.

Dit isoleren heeft tot doel de:


magnetische flux te versterken
kernverliezen te verkleinen
koppeling te versterken
transformatieverhouding te vergroten