[
Welkom
] [
Het waarom
] [
Examens
] [
Morse sectie
] [
QTH Locator
] [
Lijsten / Tabellen
] [
Referenties
] [
Link Sectie
]
Home
»
Examen oefeningen
»
Start pagina F/C examens
»
Per VRZA Hoofdstuk
» Lading, spanning, stroom en weerstand
Lading, spanning, stroom en weerstand (10 vragen).
Vraag 1
Bij 12 volt en een stroom van 1 ampère wordt gedurende 1 minuut een energie verbruikt van:
5 Ws
12 Ws
60 Ws
720 Ws
Vraag 2
Er is 1 kWh energie beschikbaar.
Een 100 watt lamp kan hiermee worden gevoed gedurende:
0,1 uur
100 uur
1 uur
10 uur
Vraag 3
Een batterij is opgebouwd uit oplaadbare cellen van 1,2 V en een capaciteit van 0,5 Ah.
Een draagbare zendontvanger neemt bij 7,2 V gemiddeld 0,7 A op.
Het aantal cellen dat nodig is om deze zendontvanger gedurende minimaal 1 uur te kunnen gebruiken bedraagt:
2
12
6
14
Vraag 4
Een weerstand waarvan de weerstandswaarde sterk toeneemt bij toenemende temperatuur, is een:
NTC-weerstand
PTC-weerstand
Metaalfilmweerstand
Koolweerstand
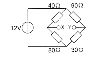
Vraag 5
De spanning tussen X en Y is:
8 V
5 V
3 V
0 V