HAM Radio ZendExamens Banner  [ Welkom ]  [ Het waarom ]  [ Examens ]  [ Morse sectie ]  [ QTH Locator ]  [ Lijsten / Tabellen ]  [ Referenties ]  [ Link Sectie ] 
Home » Examen oefeningen » Start pagina F/C examens » Per VRZA Hoofdstuk » Terugkoppeling, op-amps, oscillatoren, laagspanningsvoedingen

Terugkoppeling, op-amps, oscillatoren, laagspanningsvoedingen (10 vragen).


Vraag 1


Om een oscillator elektrisch te verstemmen wordt bij voorkeur gebruik gemaakt van een:


LED
diodenbrug
varicapdiode
zenerdiode


Vraag 2


Een kwartskristal gedraagt zich als:


een oscillator
een resonantiekring
een detector
een afvlakfilter


Vraag 3


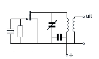
De schakeling werkt als overtone-oscillator.
Stelling 1: De kring is afgestemd op de tweede harmonische van het kristal
Stelling 2: Het kristal werkt praktisch in serie-resonantie


Wat is juist?

PE1HVH - image bij vraagnr 3
alleen stelling 1
stellingen 1 en 2
geen van beide stellingen
alleen stelling 2


Vraag 4


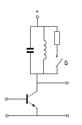
Door het sluiten van de schakelaar S wordt:

PE1HVH - image bij vraagnr 4
de versterking kleiner en de bandbreedte kleiner
de versterking groter en de bandbreedte kleiner
de versterking kleiner en de bandbreedte groter
de versterking groter en de bandbreedte groter


Vraag 5


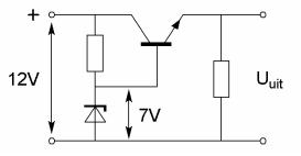
De uitgangsspanning Uuit van de schakeling met een siliciumtransistor is ongeveer:

PE1HVH - image bij vraagnr 5
7 V
12 V
6,3 V
7,7 V