HAM Radio ZendExamens Banner  [ Welkom ]  [ Het waarom ]  [ Examens ]  [ Morse sectie ]  [ QTH Locator ]  [ Lijsten / Tabellen ]  [ Referenties ]  [ Link Sectie ] 
Home » Examen oefeningen » Start pagina F/C examens » Per VRZA Hoofdstuk » Terugkoppeling, op-amps, oscillatoren, laagspanningsvoedingen

Terugkoppeling, op-amps, oscillatoren, laagspanningsvoedingen (10 vragen).


Vraag 1


De open-lus versterkingsfactor van een OpAmp bij een frequentie van 1 kHz is in de praktijk ongeveer:


1.000
10
100.000
100


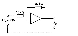
Vraag 2


De uitgangsspanning Uuit:

PE1HVH - image bij vraagnr 2
-2 V
+1 V
0 V
-1 V


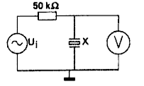
Vraag 3


X is een kwartskristal voor 7 MHz (grondtoon).
Ui wordt opgewekt door een signaalgenerator met nauwkeurig instelbare frequentie fg.
Als fg heel langzaam van 6,99 naar 7,01 MHz wordt veranderd, is op de voltmeter V te zien dat het kristal resoneert.

Op de voltmeter ziet men:

PE1HVH - image bij vraagnr 3
alleen één piek
alleen één dip
een piek gevolgd door een dip
een dip gevolgd door een piek


Vraag 4


Het gebruikelijke vervangingsschema voor een kwartskristal is:


PE1HVH - image bij vraagnr 1
PE1HVH - image bij vraagnr 2
PE1HVH - image bij vraagnr 3
PE1HVH - image bij vraagnr 4


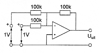
Vraag 5


De uitgangsspanning Uuit is:

PE1HVH - image bij vraagnr 5
-4,7 V
+4,7 V
+5,7 V
-5,7 V